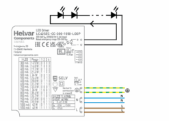
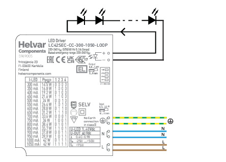
LC42SEC-CC-300-1050-LOOP

42 W constant current LED driver

  • 300 mA – 1050 mA adjustable current output
  • Product number: 5969005
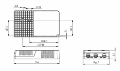
  • Dimensions: 166 x 98,7 x 31 mm
  • LED Driver family: SEC Series
Datasheet