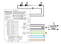
| Output | DIP switch selectable current |
|---|---|
| Load protection | SELV60 |
| Max output power (W) | 44 |
| Total Harmonic Distortion @ Full power (THD %) | 10 |
| Power factor at full load | 0.99 |
| Efficiency up to (%) | 89 |
| Min | Max | ||
|---|---|---|---|
| Iout | 500 | 1000 | |
| Uout | 24-44 | 24-44 |
| Voltage range (VAC) | 198-264 |
|---|---|
| DC input characteristics | Suitable for DC use |
| DC range (V) | 176-280 |
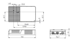
| Max temperature at tc point (°C) | 75 |
| Ambient temperature range | –20 °C .. +50 °C |
| IP Rating | IP20 |
| Lifetime up to (h) | 100000 |
| Luminaire class I | ✓ |
| Luminaire class III | ✓ |
| Luminaire class II | ✓ |
| Independent usage | ✓ |
| Control |
|
|---|---|
| Dimming range | 1% – 100% |
| Dimming method | Amplitude dimming |
| Integrated strain relief | ✓ |
|---|---|
| Complies with IEEE 1789-2015 | ✓ |
| Certificates |
|
|---|
| Order code | Description |
|---|---|
| 5957005 | LC44SEC-DA-500-1000-LOOP 56/672 |